Präzision trifft auf Flexibilität mit Swiss Quality
Empfohlene Produkte
-
Spannfutter 6 ZK Mini
Normaler Preis CHF 0.00Normaler PreisVerkaufspreis CHF 0.00 -
Spannfutter 3 ZK Mini
Normaler Preis CHF 0.00Normaler PreisVerkaufspreis CHF 0.00 -
Spannfutter ZAS
Normaler Preis CHF 0.00Normaler PreisVerkaufspreis CHF 0.00 -
Spannfutter 6 ZAS
Normaler Preis CHF 0.00Normaler PreisVerkaufspreis CHF 0.00 -
Spannfutter ZAS Key
Normaler Preis CHF 0.00Normaler PreisVerkaufspreis CHF 0.00 -
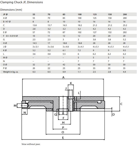
Spannfutter JF ultraflach Reinox
Normaler Preis CHF 0.00Normaler PreisVerkaufspreis CHF 0.00 -
Spannfutter JF ultraflach
Normaler Preis CHF 0.00Normaler PreisVerkaufspreis CHF 0.00 -
Mini Teilapparat VLK/PAR
Normaler Preis CHF 0.00Normaler PreisVerkaufspreis CHF 0.00 -
Vakuum-Spannen
Normaler Preis CHF 0.00Normaler PreisVerkaufspreis CHF 0.00 -
3D-Flex-Fix
Normaler Preis CHF 0.00Normaler PreisVerkaufspreis CHF 0.00









