1
/
of
2
Maprox
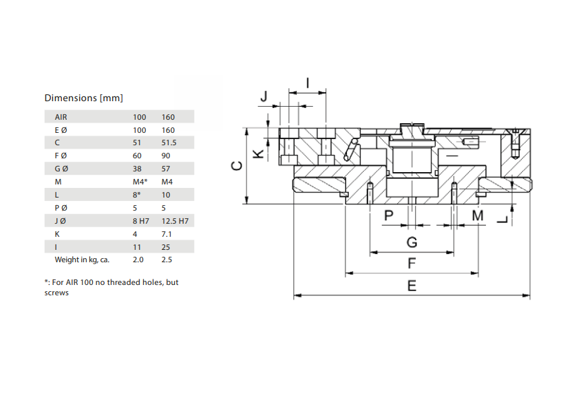
Maprox AIR
Maprox AIR
Regular price
CHF 0.00
Regular price
Sale price
CHF 0.00
Taxes included.
Quantity
Couldn't load pickup availability
Maprox AIR
The new Maprox chuck combines all the advantages of our manual chucks with pneumatic clamping. Thus, the chuck is fully automatable, controllable via your measuring machine. A real all-rounder with the famous Maprox flexibility.
Download data sheet
Share

